高级检索

近红外激光对图像传感探测器的干扰研究

Study on interference of near-infrared laser to charge-coupled device detector

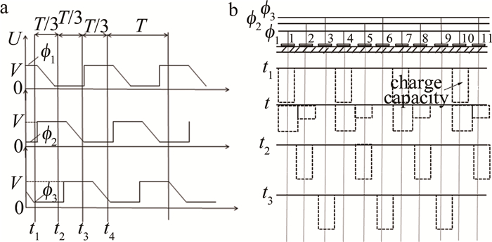
  • 摘要: 为了研究近红外激光对图像传感器的干扰机理,利用波长为1064nm的连续激光辐照黑白电荷耦合器件相机,观察激光对黑白相机的干扰现象, 将实验中采集到的数字图像进行处理,提取了黑白相机在不同激光功率下的干扰程度曲线,并进行了分析。结果表明, 图像传感器相机干扰包括干扰光斑和串音线,激光功率越高,干扰光斑半径越大,串音线缓慢变宽,相应干扰区域中饱和像元数越多,干扰程度越严重;对于1064nm激光对黑白相机的干扰过程,饱和像元数量正比于激光功率基本呈线性增长;对实验现象中出现的规律性点阵光斑和旁支串音线的新现象解释为与光学镜头的傅里叶频谱性质有关;利用相关公式推导得出一般干扰过程的拟合曲线,并根据图像传感器基本像元结构的电容势阱特点和载流子溢出方式来对干扰过程进行仿真模拟,仿真结果与实验数据基本相符。该结果有助于近红外激光对CCD的干扰研究。

     

    Abstract: In order to study the interference mechanism of near-infrared laser to image sensor, a monochromatic charge-coupled device(CCD) detector was irradiated by continuous laser with a wavelength of 1064nm. The interference phenomenon of laser to monochromatic camera was observed and the digital image collected by the experiment was processed. And the interference degree curves of monochromatic camera under different laser powers were extracted. After analysis, the following conclusions were obtained: CCD interference includes interference spot and crosstalk line. The higher the laser power is, the larger the interference spot radius is, and the crosstalk line is slowly widened. The more number of saturated pixels in the corresponding interference region, the more serious the interference degree. For the interference of 1064nm laser to monochromatic camera, the number of saturated pixels is almost linearly proportional to the laser power. Analysis of the new phenomena of regular dot-matrix and side-by-side crosstalk appearing in experimental phenomena is related to Fourier spectral properties of optical lenses. The fitting curve of the general interference process is derived by using the relevant formula. Finally, the interference process is simulated according to the characteristics of the CCD basic pixel structure capacitor potential trap and the carrier overflow mode. The simulation results are basically consistent with the experimental data.

     

/

返回文章
返回